Skip to main content

Choosing a power supply

The first step in choosing a power supply is to determine the operating point of your setup: what voltage and current combinations are required? Based on these operating points, a suitable power supply can be selected according to its output range. A simple way to discover which power supply models can operate at your desired operating point is to consult the Selector Tool. Here you can enter voltage and current set points, and the results will indicate which models match your needs. Alternatively, send us a message. We’re happy to help you find the best match for your application.

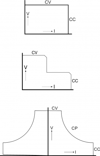
Output range types

Power supply output ranges come in different shapes, including rectangular, auto-ranging, and constant power output ranges.

Rectangular output range

The rectangular-shaped output range is the most basic variant, where the power supply can operate from zero voltage and current up to its maximum rated limits. This results in a rectangular-shaped range on a VI diagram.
All our power supplies are designed for prolonged use at the boundaries of their operating ranges. They also support operation at low voltage and current, regardless of the supply’s power rating.

Auto-ranging output

The term auto-ranging originates from measurement instruments that operate across multiple ranges. In a similar way, our auto-ranging power supplies offer two ranges: a low-voltage/high-current and a high-voltage/low-current range — forming an L-shaped VI graph.
Range transitions are automatic and seamless. Model names that include “AR,” such as the SM66-AR-110 from the SM3300 series, feature auto-ranging output. These power supplies double the usable output area compared to a rectangular output of the same rated power.

Constant power output

Constant power output ranges feature a curved power contour. A power supply with constant power output can deliver full rated power across a wide voltage range — from maximum voltage down to minimum — by increasing current accordingly as voltage decreases, up to the current limit.

Bidirectional operation

The SM15K power supply series is not only highly energy-efficient (up to 96%), but also functions as a regenerative electronic load. Feeding power back into the grid instead of dissipating it as heat. This enables ultra-compact setups, as a single SM15K can be used as both a source and a load. High efficiency in both sourcing and sinking reduces the need for bulky cooling systems. Intelligent fan control further improves user comfort by minimizing audible noise.

Specifications

Our power supply portfolio ranges from 150 W to 900 kW. Every model is built with exceptional specifications, reflecting over 65 years of expertise in power electronics. From small to large systems, our products consistently meet high standards in output performance, dynamic response, efficiency, EMC, and usability. These features are documented in the datasheets available for each series. Excellent specifications result in instruments suited for cutting-edge research and intensive industrial use.

Integration

All our power supplies are easy to integrate into broader systems. A wide range of interfacing options are available for programming and monitoring. From standard Ethernet or analog control to support for advanced industrial protocols. This flexibility applies to nearly every power supply in our portfolio. You can find a detailed overview of supported interfaces on the Interfaces page. Several of our series are also TUVus certified, supporting both regulatory compliance and ease of integration into certified systems.

Modularity

Our power supplies support Master/Slave parallel and series configurations. With the SM15K series, this approach is taken to the extreme, up to 60 units can be connected in parallel, forming a single 900 kW high-power system, while still maintaining unmatched dynamic performance for its size. We enable true modularity by offering off-the-shelf bus bar kits that make it easy to connect any number of units into systems of varying power levels. Reconfiguring a system is as simple as changing the bus bar. Allowing flexibility that supports long-term return on investment. This modular approach also applies to interface upgrades, which can be added at any time.

Products
Teaser image for products

Power supplies

Our programmable DC power supplies ensure reliable, long-lasting performance with low ripple, high efficiency, and fast load response. Designed for laboratory and industrial use, they provide stable power with minimal noise and interference. Explore the range, from high-power bidirectional power supply systems to compact bench-top units.

Interfaces
Teaser image for interfaces

Interfaces

Enhance control and integration with our range of power supply interfaces. From analog and digital I/O to master/slave configurations and simulation options, these interfaces enable seamless operation in automated systems, testing environments, and industrial applications. Explore the available options.

Applications

Our DC power supplies are trusted worldwide in high-demand environments where precision, reliability, and performance are critical. 
Key industries and application areas include:

Automotive R&D and Production

From EV drivetrain testing to ECU simulation and battery cycling, our supplies support both research labs and automated production lines. With fast dynamics and low output ripple, they are ideal for testing sensitive automotive electronics.

Renewable Energy Systems

Ideal for solar inverter testing, fuel cell development, and energy storage validation. Our supplies offer bidirectional capability and high efficiency, making them perfect for simulating renewable energy sources and grid-connected systems.

Aerospace and Defense

Our units power avionics test benches, military-grade component verification, and spacecraft subsystems — delivering the precision and reliability required by aerospace and defense organizations.

Semiconductor Manufacturing

Used in plasma systems, ion beam processes, wafer inspection, and lithography, our low-noise supplies provide the stability and accuracy critical in semiconductor fabrication.

Test and Measurement Laboratories

Our programmable supplies are widely used for circuit prototyping, device characterization, and endurance testing. Their versatility in constant voltage, current, and power modes ensures comprehensive testing under real-world conditions.

Let’s make sure you get the right solution

Whether you know exactly what you need or are still exploring your options, we’re here to help.
Use the Selector Tool to instantly find models that match your voltage and current requirements. 
Browse our datasheets for in-depth technical specs, or contact our engineers for personalized advice
We’re happy to assist no matter how complex your application.

Selector Tool

Contact form

Question

Contact information

Message

Delta Elektronika

Vissersdijk 4
4301 ND Zierikzee
The Netherlands

Product and Sales Support

Telephone: +31 111 413656
E-mail: by contact form
Newsletter: subscribe

Distribution network

Find a distributor in your region
Distribution network